2013年湖南省衡阳市中考物理试题(word解析版)
【内容简介】一、选择题(本题12个小题,每小题2分,共24分。在每小题给出的四个选项中,只有一个是正确的,把正确的答案按要求填入答题卡上相应位置。)
1.(2分)(2013•衡阳)有一种新型锁﹣﹣声纹锁.只要主人说出事先设定的暗语就能把锁打开,别人即使说出暗语也打不开.这种声纹锁辨别声音的主要依据是( )
A. 音调 B. 响度 C. 音色 D. 声速
考点: 音色.
分析: 不同物体发声时,声音的特色不同,就是指音色不同.
解答: 解:因为每个人的发声音色不同,而声纹锁是依据音色来进行判断的,只能按照设定的音色打开;
故选C.
点评: 本题考查学生对音色定义的理解与应用.
2.(2分)(2013•衡阳)下列数据中最接近实际的是( )
A. 普通铅笔的长度约为40cm
B. 一个成年人正常步行的速度大约为1.1m/s
C. 正常人的体温是38℃
D. 一袋普通方便面的质量约为500mg
考点: 长度的估测;温度;质量的估测;速度与物体运动.
专题: 估算题.
分析: 首先对题目中涉及的物理量有个初步的了解,对于选项中的单位,可根据需要进行相应的换算或转换,排除与生活实际相差较远的选项,找出符合生活实际的答案.
解答: 解:
A、中学生伸开手掌,大拇指指尖到中指指尖的距离大约20cm,普通铅笔的长度小于20cm.此选项不符合实际;
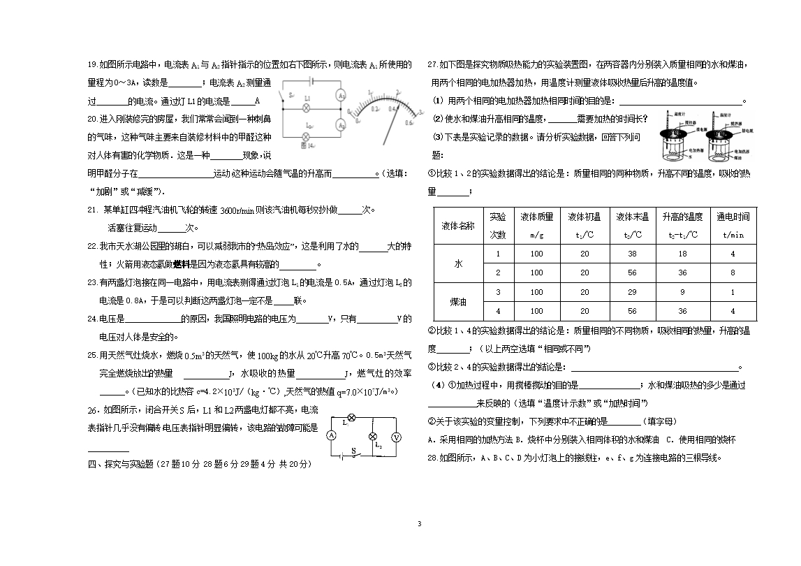
B、成年人正常步行的速度在4km/h=4× m/s≈1.1m/s左右.此选项符合实际;
C、人体正常体温在37℃左右,变化幅度较小,38℃为发烧状态.此选项不符合实际;
D、一袋普通方便面的质量在50g~100g左右.此选项不符合实际.
故选B.
点评: 本题考查学生对生活中常见物体的数据的了解情况,本题告诉我们一定要对实际生活中常见的物体做到熟知,以免闹了笑话自己还不知道.
.........
下载word文档附件
部分内容预览







只能预览部分内容,查看全部内容需要下载哦~
同专辑或相关资料
- 562023-2024学年湖南省衡阳市九年级(上)期末物理试卷及解析
- 3402021年湖南省衡阳市初中学业水平考试物理试题(pdf版,有答案)
- 2013湖南省衡阳市衡东六中2017中考物理坐标曲线题预测(共22张PPT,免费)
- 2191湖南省衡阳市衡东六中2017中考物理综合计算题预测(共35张PPT,免费)
- 465湖南省衡阳市衡东六中2017中考物理多项选择题预测 (共29张PPT)
- 459湖南省衡阳市衡东六中2017中考仿真模拟试题(二)(共25张PPT)
- 1936湖南省衡阳市逸夫中学2016届九年级下学期第一次月考物理试题及答案
- 2807湖南省衡阳市2015年中考物理试题及答案(扫描版)
- 上一份试卷:2013年云南省中考物理试题(word解析版)
- 下一份试卷:2013年湖南省娄底市中考物理试题(word解析版)
资料审核:czwlzx
资料格式:doc
资料版本:不限
适用地区:不限
文件大小:0.00B
资料作者:初中物理在线
审核人员:czwlzx
下载帮助:
- 下载说明:0点券资源无需下载权限,游客可以直接下载。
- 有点券资源为本站精品课件,只提供给vip会员下载,有效期式vip会员可以在有效期内下载本站所有资源。 查看 【申请有效期vip会员方法】 。
-
- 如果您无法下载到本资料,请先参照以下说明检查:
- 1、所有资料必须是登录后才能下载。
- 2、精品资料下载需要下载权限,请确保您是本站vip会员才可下载。有效期vip会员只受有效期限制,不受点券影响,有效期内即使点券用完,仍可继续下载。
- 4、如果鼠标左键下载时直接打开word文档,无法下载保存,可以右键鼠标选择“将链接另存为”下载word文件。
- 5、如果下载的是word文档,直接可用word软件打开;如果是压缩资料包,下载后请先用winrar解压软件解压,再使用对应软件word打开。
- 6、以上步骤检查后均无法解决问题,您可以到[帮助中心]寻找答案或向网站客服人员寻求支持。


会员登录
用户评论
(欢迎您的评论,评论有奖励哟!)